Published:2009/7/2 4:39:00 Author:May | From:SeekIC

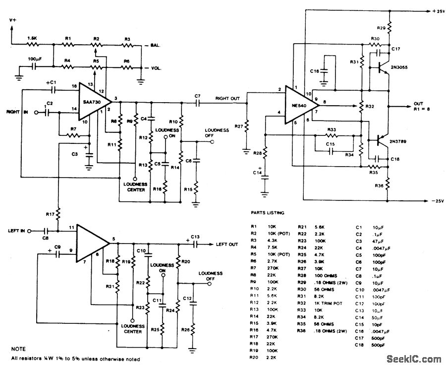
This circuit should prove suitable as a design example for audio sound application.
Reprinted Url Of This Article:
http://www.seekic.com/circuit_diagram/Amplifier_Circuit/VOLUME,BALANCE,LOUDNESS&POWER_AMPS.html
Print this Page | Comments | Reading(3)
Code: