Published:2009/6/15 4:05:00 Author:May | From:SeekIC

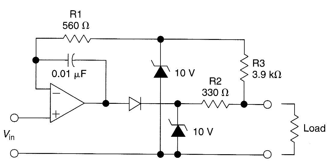
The circuit is designed to drive an external load. A fault condition in the external load circuit could feed excessive current or voltage back into the line drive circuit. If excessive voltage appears from the load, the two zener diodes will clamp that voltage to a safe level, which in this case is 10V.The current in the zener diodes, op amp, and the remainder of the circuitry is limited to a safe level by resistors R1, R2, and R3. D1 protects the op-amp output stage from 10V appearing across the clamp diodes under a fault condition.The advantage of this circuit is that, although it's designed as unity gain buffer, the same tech-niques can be applied to inverting, noninverting, or differential gain stages.
Reprinted Url Of This Article:
http://www.seekic.com/circuit_diagram/Amplifier_Circuit/V__I_PROTECTED_INTRINSICALLY_SAFE_OP_AMP.html
Print this Page | Comments | Reading(3)
Code: