Published:2011/7/20 7:26:00 Author:Sue | Keyword: Video Capture | From:SeekIC

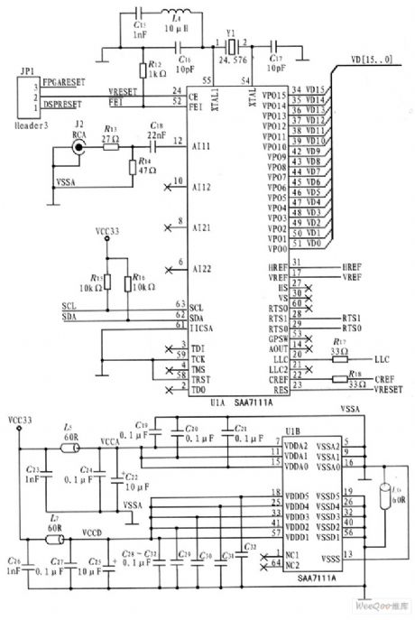
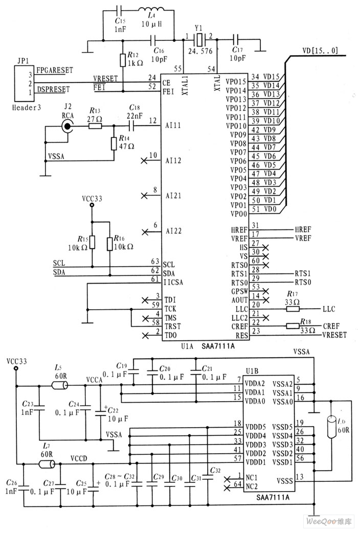
The video decoder this system uses is Philip company's high-performance video A/D converter SAA7111. The device is high-performance video input processor which is widely used in desktop video, multi-media, digital television, photo processing, visual telephone. It uses 3.3V CMOS circuit and highly integrated analog front end and digital video encoder which include two circuits of analog video processing channel, one clock generating circuit, one automatic clamp and gain control circuit, one multi system digital decoder, one brightness/contrast/saturation control circuit, and a color space matrix.
Reprinted Url Of This Article:
http://www.seekic.com/circuit_diagram/Amplifier_Circuit/Video_Capture_Circuit.html
Print this Page | Comments | Reading(3)
Code: