Published:2009/7/17 4:39:00 Author:Jessie | From:SeekIC

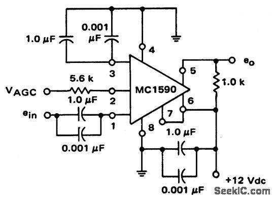
Video amplifier using an MC1590(courtesy Motorola Semiconductor Products Inc.).
Reprinted Url Of This Article:
http://www.seekic.com/circuit_diagram/Amplifier_Circuit/Video_amplifier_using_an_MC1590.html
Print this Page | Comments | Reading(3)
Code: