Published:2009/7/9 1:26:00 Author:May | From:SeekIC

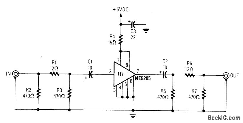
Using a Signetics NE5205, this circuit gives about + 16-dB gain from LF to 600 MHz. The π mini-mizes load impedance and source-impedance variations and aids stability.
Reprinted Url Of This Article:
http://www.seekic.com/circuit_diagram/Amplifier_Circuit/WIDEBAND_AMPLIFIER.html
Print this Page | Comments | Reading(3)
Code: