Published:2009/7/16 3:32:00 Author:Jessie | From:SeekIC

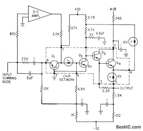
D-C input summing mode signals are amplified in low-drift d-c amplifier and reinserted info amplifier signal path at input to common-emitter stage. Response of d-c amplifier in parallel with common-base stage is complementary to high-frequency amplifier Q2-Q3-Q4, maintaining unit slope down to 1 kc, where gain is 100 db. Loop delay is less than 0.1 nsec. -F. D. Waldhauer, Latest Approach to Integrated Amplifier Design, Electronics, 36:22, p 24-27.
Reprinted Url Of This Article:
http://www.seekic.com/circuit_diagram/Amplifier_Circuit/WIDEBAND_ANALOG_AMPLIFIER.html
Print this Page | Comments | Reading(3)
Code: