Published:2009/7/10 20:20:00 Author:May | From:SeekIC


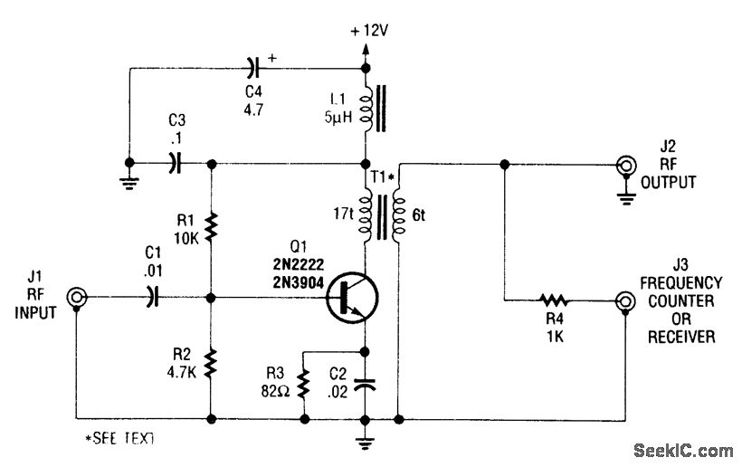
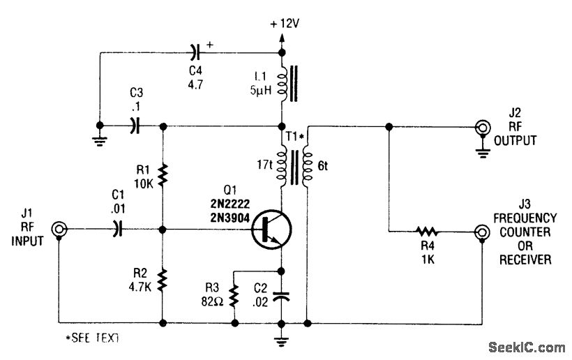
This single-stage amplifier (using a 2N2222 or 2N3904 general-purpose transistor) is useful for interfacing test instruments,T1 is an Amidon Associates FT-23-43 core wound with 17 and 6 turns of #26 wire,J3 isa lower-level output for a momtonng device(such as a recelver frequency counter or spectrum analyzer).
Reprinted Url Of This Article:
http://www.seekic.com/circuit_diagram/Amplifier_Circuit/WIDEBAND_TEST_AMPLIFIER.html
Print this Page | Comments | Reading(3)
Code: