Published:2009/7/19 20:27:00 Author:Jessie | From:SeekIC

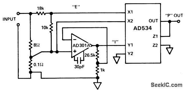
Wattmeter for an audio amplifier to 100 watts. To use the circuit connect a nonreactive 8-ohm 10-watt load to the speaker terminals with the 0.1-ohm shunt in series with it, The output of the amplifier should be connected to the circuit with AWG #16 wire (courtesy Analog Devices, Inc.).
Reprinted Url Of This Article:
http://www.seekic.com/circuit_diagram/Amplifier_Circuit/Wattmeter_for_an_audio_amplifier_to_100_watts.html
Print this Page | Comments | Reading(3)
Code: