Published:2012/11/15 21:14:00 Author:muriel | Keyword: Wide Band, RF Amplifier, 10MHz - 500MHz Input | From:SeekIC

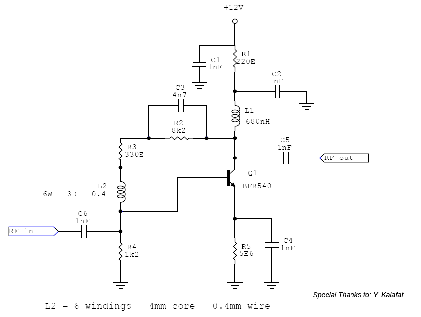
This is a wide band amplifier cicuit which is suitable for the frequencies between 10MHz and 500MHz. Wide band amplifiers are used in communication receivers, RF measuring equipment and tons of other devices. The circuit described here uses a state of the art transistor to get maximum performance at high frequencies. It can be used as a low noise pre-amplifier due to his low noise characteristics.
Reprinted Url Of This Article:
http://www.seekic.com/circuit_diagram/Amplifier_Circuit/Wide_Band_RF_Amplifier_for_10MHz___500MHz_Input.html
Print this Page | Comments | Reading(3)
Code: