Published:2009/6/29 1:58:00 Author:May | From:SeekIC

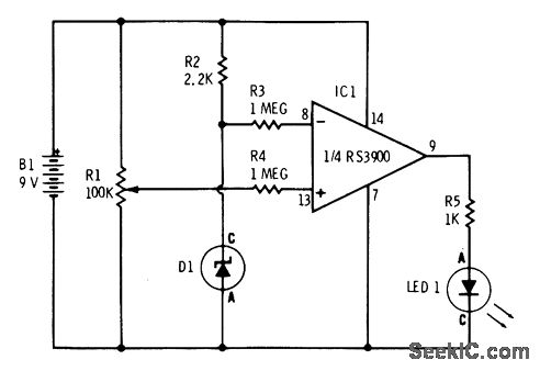
One section of RS3900 quad opamp is connected as comparator using zener D1 for reference voltage. When voltage applied to pin 13 by R1 exceeds breakdown voltage of zener D1, comparator amplifies difference voltage to produce output voltage high enough to turn on LED. Can be used for classroom demonstration of comparator action.Zener breakdown should be under 9 V. LED can be Radio Shack 276-041.—F. M. Mims, Semiconductor Projects, Vol. 2, Radio Shack, Fort Worth, TX, 1976, p 35-42.
Reprinted Url Of This Article:
http://www.seekic.com/circuit_diagram/Amplifier_Circuit/ZENEB_REFERENCE.html
Print this Page | Comments | Reading(3)
Code: