Published:2011/3/28 21:14:00 Author:Rebekka | Keyword: Motor drive, Zoom DC | From:SeekIC

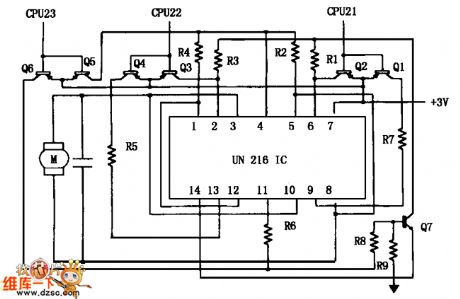
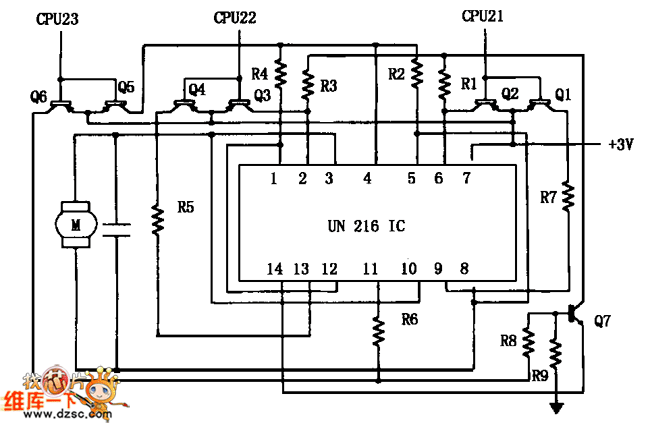
Zoom DC motor driver circuit diagram is shown as below.
Reprinted Url Of This Article:
http://www.seekic.com/circuit_diagram/Amplifier_Circuit/Zoom_DC_motor_driver_circuit_diagram.html
Print this Page | Comments | Reading(3)
Code: