Published:2011/5/8 19:55:00 Author:Christina | Keyword: capacitance, measurement | From:SeekIC

Reprinted Url Of This Article:
http://www.seekic.com/circuit_diagram/Amplifier_Circuit/capacitance_measurement_circuit.html
Print this Page | Comments | Reading(3)
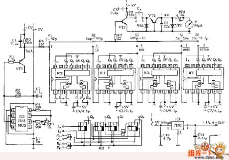
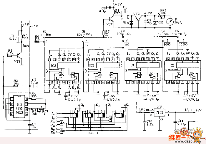
Code: