Published:2011/7/8 21:00:00 Author:chopper | Keyword: grid drive, full bridge, output circuit | From:SeekIC

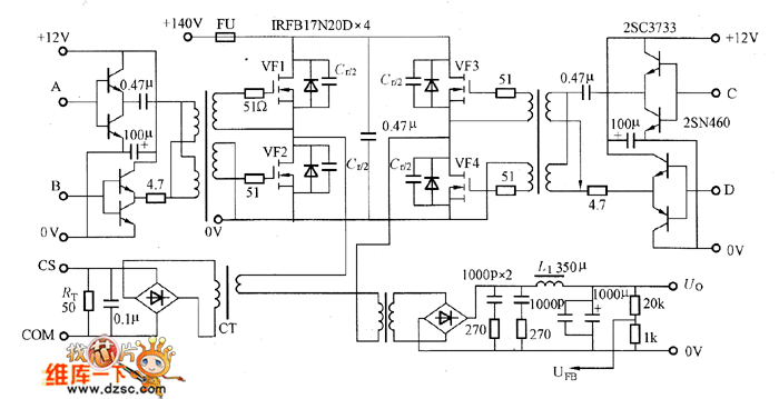
Figure shows the grid drive circuit andfull bridge output circuit.As for the phase shift type PWM circuit,duty ratio of grid drive wave is always 50%,so it is very easy to use pulse transformer in the drive circuit.
Reprinted Url Of This Article:
http://www.seekic.com/circuit_diagram/Amplifier_Circuit/grid_drive_circuit_and_full_bridge_output_circuit.html
Print this Page | Comments | Reading(3)
Code: