Published:2011/7/14 23:12:00 Author:Fiona | Keyword: headphone amplifier, tube | From:SeekIC

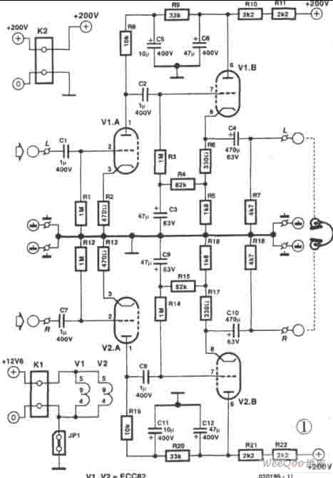
Pre-amplifier should generate sufficient signal amplitude to drive the headphones. The transistor part of pin 1,2,3 amplifies the signal. Input signal through the 50kΩ volume control logarithmic potentiometer P1 (P1 is not in Figure I) reaches the circuit board, and then inputs to the pre-amplifier stage directly through C1 and R1, and R1 and C1l provide the necessary negative gate bias. Gain is essentially determined by the R8. The maximum input voltage is determined by R2. R9 is so determined. That the current of the static anode chooses in the linear part of characteristic curve as possible.
Reprinted Url Of This Article:
http://www.seekic.com/circuit_diagram/Amplifier_Circuit/headphone_amplifier_composed_of_ECC822_tube_circuit.html
Print this Page | Comments | Reading(3)
Code: