Published:2011/6/13 4:21:00 Author:Christina | Keyword: SCM, interface circuit | From:SeekIC

Reprinted Url Of This Article:
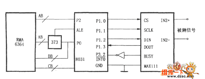
http://www.seekic.com/circuit_diagram/Amplifier_Circuit/interface_circuits_of_the_MAX110_MAX111_and_the_SCM.html
Print this Page | Comments | Reading(3)
Code: