Published:2011/6/17 11:28:00 Author:John | Keyword: system display | From:SeekIC

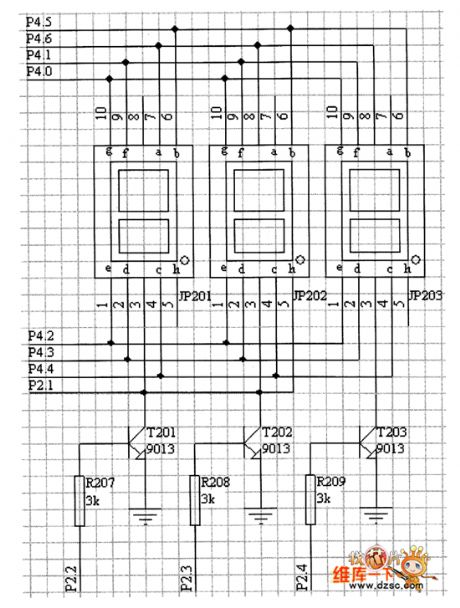
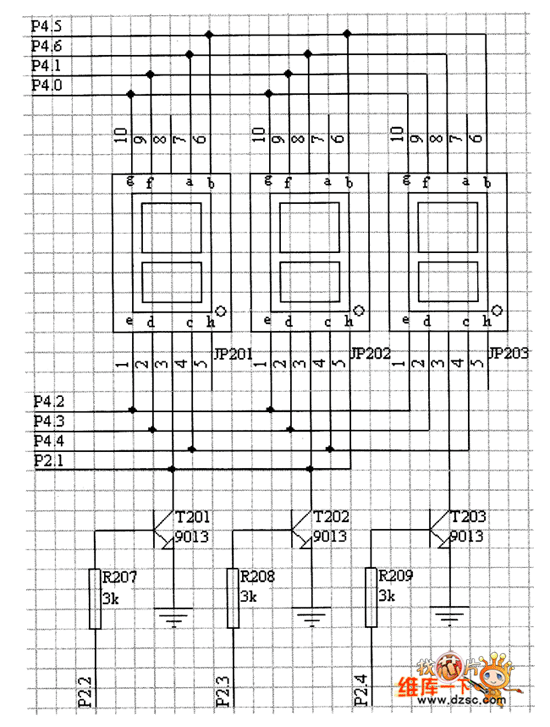
It can be seen from the figure, the display circuit is directly connected with the MCU data I / O port. As MSP430F149 has a wealth of I / O port resources, such parallel interface mode is very easy. Such reduces complexity of system’s design and also increases the reliability of the system. P4.0 ~ P4.6 is used to display data, P2.1 is used to control the display of the decimal point and P2.2, P2.3 and P2.4 are used to control strobe state of the digital tube. If it is expected to be displayed on DIS0, high electricity level is given on pin of P2.2 and strobe state can be displayed through transistor digital tube.
figure: system display circuit
Reprinted Url Of This Article:
http://www.seekic.com/circuit_diagram/Amplifier_Circuit/system_display_circuit.html
Print this Page | Comments | Reading(3)
Code: