Published:2011/5/29 23:15:00 Author:Ariel Wang | Keyword: reset | From:SeekIC

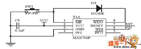
The reset circuit of MAX706P is as the chart below:
Reprinted Url Of This Article:
http://www.seekic.com/circuit_diagram/Amplifier_Circuit/the_reset_circuit_of_MAX706P.html
Print this Page | Comments | Reading(3)
Code: