Published:2009/7/20 1:39:00 Author:Jessie | From:SeekIC

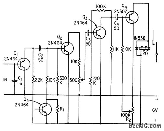
Used to amplify extremely low-frequency signals produced by longitudinal defects in rails, to drive pen recorder. C1 bypasses high-frequency signals.-H. W. Keevil, Transistor Pulse Amplifiers Detect Rail Faults, Electronics, 35:21, p 53-54.
Reprinted Url Of This Article:
http://www.seekic.com/circuit_diagram/Audio_Circuit/1_CPS_RAIL_FLAW_AMPLIFIER.html
Print this Page | Comments | Reading(3)
Code: