Published:2009/7/20 6:59:00 Author:Jessie | From:SeekIC

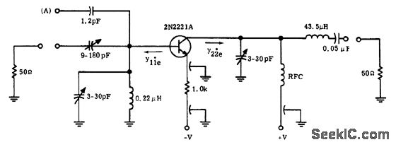
30 MHz RF to 5 MHz IF mixer. Injection point for the external local oscillator is at point A. The injection frequency is 35 MHz. The output of the 2N221A mixer is tuned to the difference of the two signals (courtesy Motorola Semiconductor Products Inc.).
Reprinted Url Of This Article:
http://www.seekic.com/circuit_diagram/Audio_Circuit/30_MHz_RF_to_5_MHz_IF_mixer.html
Print this Page | Comments | Reading(3)
Code: