Published:2011/3/25 1:58:00 Author:Nicole | Keyword: electron tube | From:SeekIC

Reprinted Url Of This Article:
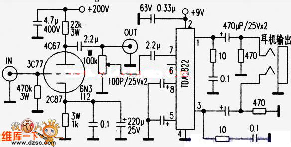
http://www.seekic.com/circuit_diagram/Audio_Circuit/6n3_electron_tube_power_amplifier_circuit_diagram.html
Print this Page | Comments | Reading(3)
Code: