Published:2009/6/26 3:38:00 Author:May | From:SeekIC

Reprinted Url Of This Article:
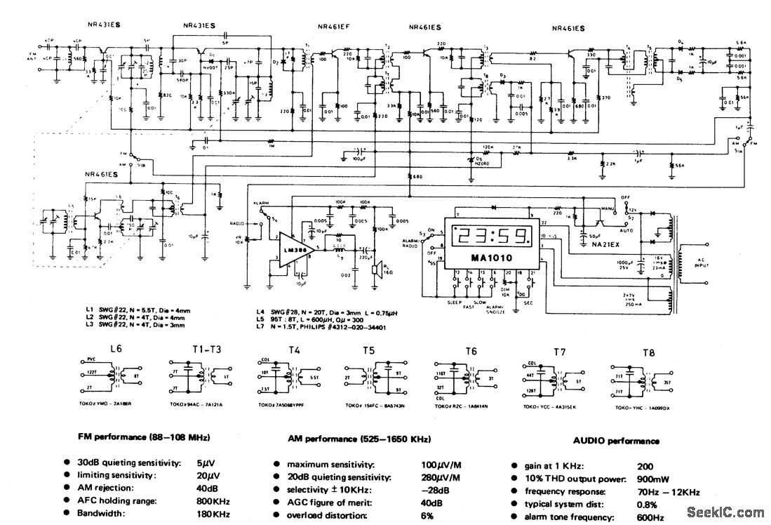
http://www.seekic.com/circuit_diagram/Audio_Circuit/AM_FM_CLOCK_RADIO.html
Print this Page | Comments | Reading(3)
Code: