Published:2011/7/15 21:31:00 Author:Borg | Keyword: record/playback preamplifier, integrated circuit | From:SeekIC



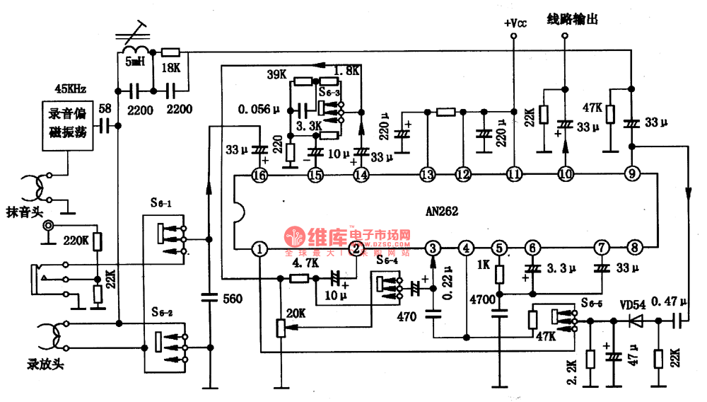
AN262 is a record/playback preamplifier integrated circuit produced by Panasonic, which is used in radios and video recorders, it is also used in compounded stereos.1. the internal circuit and pin functionsAN262 contains the playback and microphone preamplifier circuit, ALC circuit, recording amplifier circuit, playback amplifier circuit, power supply circuit and so on. The IC is in 16-pin dual-line amplifier circuit, whose internal circuit is shown in figure 1 and pin functions and data in table 1.
Reprinted Url Of This Article:
http://www.seekic.com/circuit_diagram/Audio_Circuit/AN262—the_record_playback_preamplifier_integrated_circuit.html
Print this Page | Comments | Reading(3)
Code: