Published:2011/7/17 21:56:00 Author:Borg | Keyword: frequency converter, integrated circuit | From:SeekIC



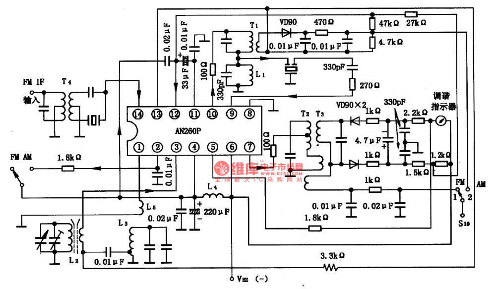
The AN260P is the AM frequency transmission, FM and AM INTREQ integrated circuit, which is used in radios, recorders and grouped stereo circuits.1. the internal circuit and pin functions of AN260PAN260P contains the tuning indication drive, voltage stabilizer, FM intermediate frequency amplifier and AGC amplifier circuit. FM and AM intermediate amplifiers are both connected with the filter.AN260P is in the 14-pin dual in-line package, whose internal circuit is in figure 1.
Reprinted Url Of This Article:
http://www.seekic.com/circuit_diagram/Audio_Circuit/AN26OP_AM_frequency_converter_and_FM_AM_integrated_circuit.html
Print this Page | Comments | Reading(3)
Code: