Published:2009/7/20 2:48:00 Author:Jessie | From:SeekIC

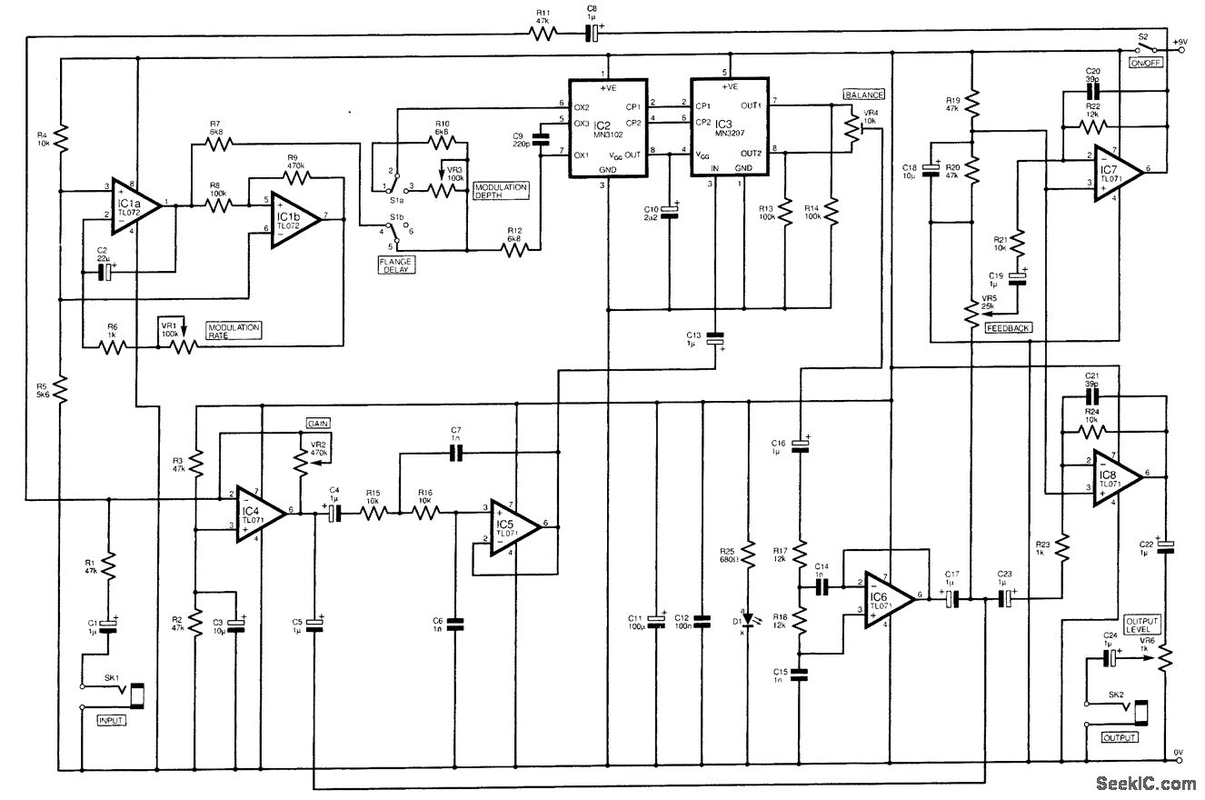
Audio from the guitar is fed first to a preamp and LP filter, then through an analog delay line IC. The delay is a function of clock frequency. The clock frequency, and, therefore, the delay time of the line, can be modulated by a low-frequency oscillator. This gives the characteristic sound to the guitar audio.
Reprinted Url Of This Article:
http://www.seekic.com/circuit_diagram/Audio_Circuit/ANALOG_DELAY_FLANGING_UNIT_.html
Print this Page | Comments | Reading(3)
Code: