Published:2009/7/10 1:35:00 Author:May | From:SeekIC

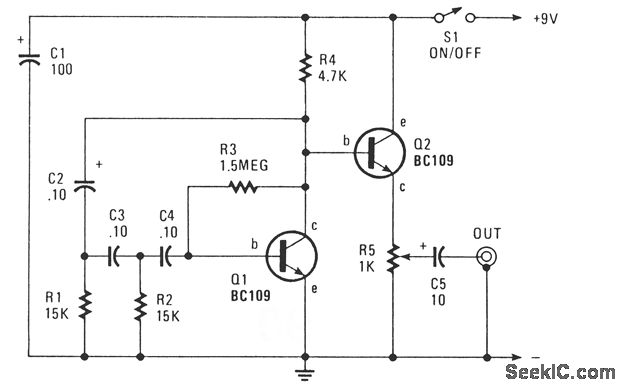
This circuit produces a sinusoidal output of about 8 V pk-pk, which can be varied down to zero, at about 500 Hz. The signal is generated by a phase-shift oscillator.
Reprinted Url Of This Article:
http://www.seekic.com/circuit_diagram/Audio_Circuit/AUDIO_GENERATOR.html
Print this Page | Comments | Reading(3)
Code: