Published:2009/7/5 22:04:00 Author:May | From:SeekIC

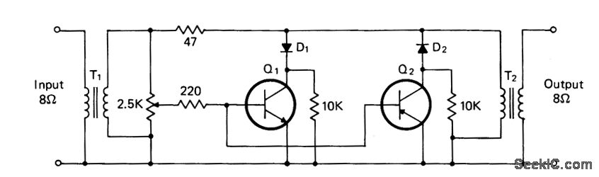
T1 and T2 are 600 to 8 ohm transformers (any transistor radio output transformers with 500 to 4 ohm impedance may be used). Q1 is a 2N2222 npn transistor, and Q2 is a 2N2907 pnp transistor. D1 and D2 1N270 signal diodes (HEP 134 or 135). Two transistors, powered by the audio power contained within the signal, will clip signal peaks which exceed the threshold established by the 2.5 K potentiometer. The diodes isolate the positive and negative clipping circuits represented by the npn and pnp transistors, respectively. A desired audio operating level can be established and the potentiometer needs little or no further adjustment.
Reprinted Url Of This Article:
http://www.seekic.com/circuit_diagram/Audio_Circuit/AUDIO_POWERED_NOISE_CUPPER.html
Print this Page | Comments | Reading(3)
Code: