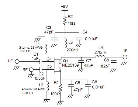
Published:2013/2/19 20:41:00 Author:muriel | Keyword: Active Mixer | From:SeekIC

Reprinted Url Of This Article:
http://www.seekic.com/circuit_diagram/Audio_Circuit/Active_Mixer_3.html
Print this Page | Comments | Reading(3)
Code: