Published:2009/7/20 7:00:00 Author:Jessie | From:SeekIC

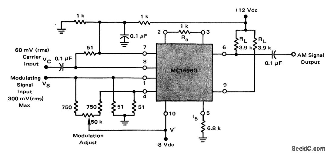
Amplitude modulator using an MC1596G. Modulation levels from zero to greater than 100% can be obtained with this circuit (courtesy Motorola Semiconductor Products Inc.).
Reprinted Url Of This Article:
http://www.seekic.com/circuit_diagram/Audio_Circuit/Amplitude_modulator_using_an_MC1596G.html
Print this Page | Comments | Reading(3)
Code: