Published:2014/1/16 18:35:00 Author: | Keyword: Audio amplifier circuit diagram, | From:SeekIC

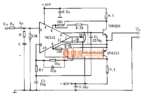
Diagram using NE541 high voltage power amplifier, current gain in 20 ~ HZ20KHZ frequency range is 90 db, at 300 mv RMS input, output high level RMS 20 v. integrated circuit internal equipped with short circuit protection. The external current limiting network to provide additional protection, two output transistor to increase the output power to 75 w, to drive the speakers.
Audio amplifier circuit diagram as shown
Reprinted Url Of This Article:
http://www.seekic.com/circuit_diagram/Audio_Circuit/Audio_amplifier_circuit_diagram.html
Print this Page | Comments | Reading(3)
Code: