Published:2011/7/18 2:55:00 Author:Sue | Keyword: Balanced, Output, Double, Operational Amplifier | From:SeekIC

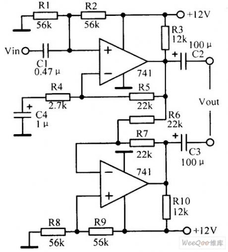
The picture shows the balanced output circuit composed of double operational amplifier.
Reprinted Url Of This Article:
http://www.seekic.com/circuit_diagram/Audio_Circuit/Balanced_Output_Circuit_Composed_of_Double_Operational_Amplifier.html
Print this Page | Comments | Reading(3)
Code: