Published:2014/1/20 19:59:00 Author: | Keyword: Bass modulation amplifier circuit diagram, | From:SeekIC

Reprinted Url Of This Article:
http://www.seekic.com/circuit_diagram/Audio_Circuit/Bass_modulation_amplifier_circuit_diagram.html
Print this Page | Comments | Reading(3)
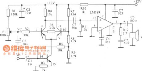
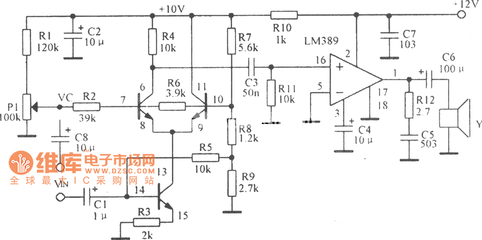
Code: