Published:2009/7/15 1:57:00 Author:Jessie | From:SeekIC

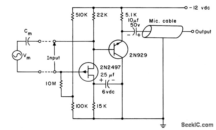
Fet provides required high input impedance. Can easily bemounted in microphone. Emitter-follower with output impedance of about 100 ohms willdrive 500 feet of microphone cable without appreciably affecting frequencyresponse.-L.J. Sevin, Jr., Field-Effect Transistors, McGraw-Hill, N.Y., 1965, p 75.
Reprinted Url Of This Article:
http://www.seekic.com/circuit_diagram/Audio_Circuit/CAPACITOR_MIKE_PREAMP.html
Print this Page | Comments | Reading(3)
Code: