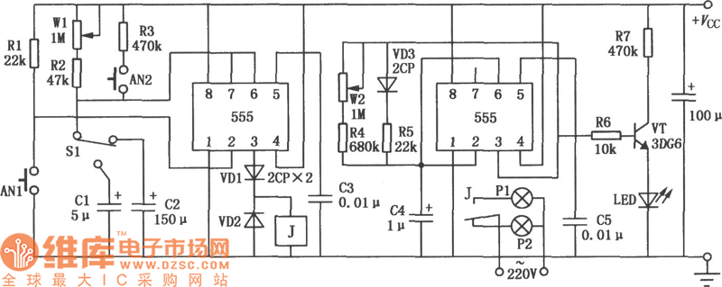
Published:2011/4/24 21:12:00 Author:Sue | Keyword: Dark Room, Time Controller, 555 | From:SeekIC

Reprinted Url Of This Article:
http://www.seekic.com/circuit_diagram/Audio_Circuit/Dark_Room_Time_Controller_Circuit_Composed_of_555.html
Print this Page | Comments | Reading(3)
Code: