Published:2009/7/23 21:17:00 Author:Jessie | From:SeekIC

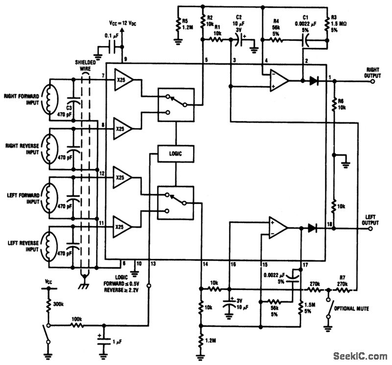
This circuit shows a dc-coupled, four-head stereo preamp using an LM1937. The desired pair of heads (for forward and reverse operation, where the heads are not mechanically repositioned) is controlled by the logic voltage at pin 13. The circuit characteristics are the same as for the circuit of Fig. 1-50.
Reprinted Url Of This Article:
http://www.seekic.com/circuit_diagram/Audio_Circuit/Dc_coupled_tape_head_preamps_four_head.html
Print this Page | Comments | Reading(3)
Code: