Published:2009/7/23 23:28:00 Author:Jessie | From:SeekIC

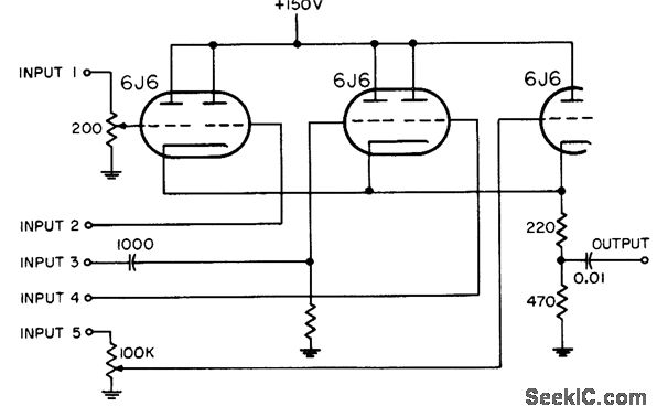
Combines five radar marker inputs.-NBS, Handbook Preferred Circuits Navy Aeronautical Electronic Equipment, Vol. 1, Electron Tube Circuits, 1963, p N4-2.
Reprinted Url Of This Article:
http://www.seekic.com/circuit_diagram/Audio_Circuit/FIVE_INPUT_VIDEO_MIXER.html
Print this Page | Comments | Reading(3)
Code: