Published:2011/4/27 3:03:00 Author:Rebekka | Keyword: FM wireless headset | From:SeekIC

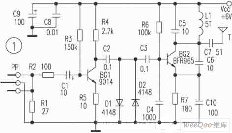
FM wireless headset circuit diagram is shown as above.
Reprinted Url Of This Article:
http://www.seekic.com/circuit_diagram/Audio_Circuit/FM_wireless_headset_circuit_diagram.html
Print this Page | Comments | Reading(3)
Code: