Published:2009/7/23 23:27:00 Author:Jessie | From:SeekIC

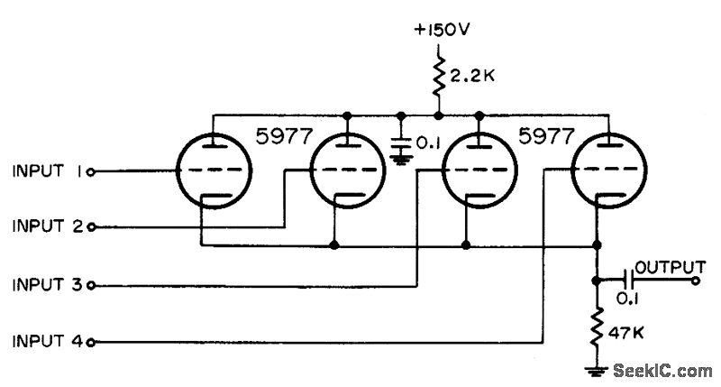
Common-cathode arrangement with 47K cathode resistor allows nonadditive mixing of four positive trigger pulses having amplitudes in vicinity of 50 v.-NBS, Handbook Preferred Circuits Navy Aeronautical Electronic Equipment, Vol. 1, Electron lube Circuits, 1963, p N4-1.
Reprinted Url Of This Article:
http://www.seekic.com/circuit_diagram/Audio_Circuit/FOUR_TRIGGER_VIDEO_MIXER.html
Print this Page | Comments | Reading(3)
Code: