Published:2009/7/22 3:25:00 Author:Jessie | From:SeekIC

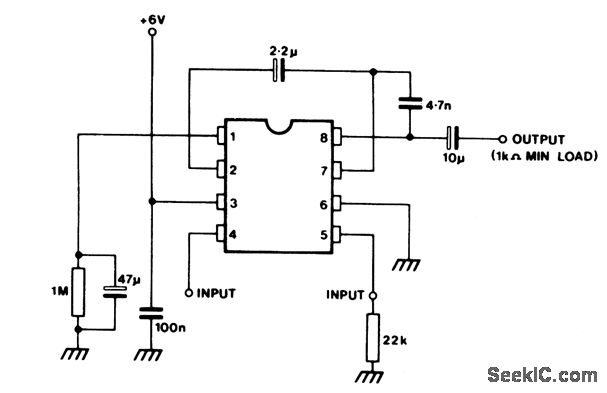
The SL6270 shown in this figure combines the functions of audio amplifier and voice-operated gain-adjusting device (VOGAD). The SL6270 accepts signals from a low-sensitivitymicrophone and provides an essentially constant output signal for a 50-dB range of input. Thedynamic range, attack time, and decay time are controlled by external components. With thevalues shown. attack time(time taken for the output to return to within 10% of the original level following a 20-dB increase in input level)is about 20mS.decay rate is 20 dB/s .voltagegain is 52 dB with 72μVrms input at pin4,output level=90mVrms with 4mVrms input at pin4,and an input impedance of 150Ω.
Reprinted Url Of This Article:
http://www.seekic.com/circuit_diagram/Audio_Circuit/Gain_controlled_microphone_preamplifier_VOGAD.html
Print this Page | Comments | Reading(3)
Code: