Published:2014/1/13 0:59:00 Author: | Keyword: Human body reaction velocity tester circuit diagram, | From:SeekIC

Human body reaction velocity tester circuit diagram
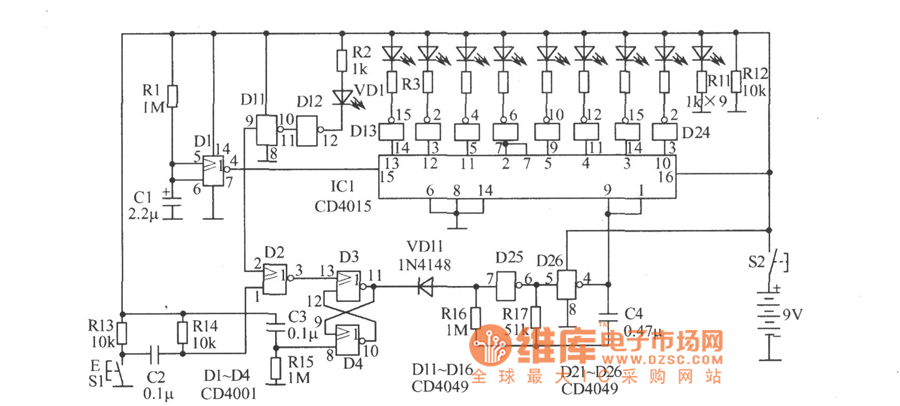
The human body reaction speed tester circuit as shown. Nand gate D25, D26 multivibrator, the output clock pulse cycle of about 50 ms. IC1 composed of eight moves to the right register, boot of D1 delay circuit output signal as a serial input data. Just when switched on, because of the D1 output is 1 , under the effect of clock pulse, the IC1 8-bit register unit quickly for all 1 ; After 3 ~ 4 s s, D1 output into a 0 , the test lamp VD1 bright, at the same time, the IC1 8-bit register units will be under the effect of clock pulse from left to right in turn into a 0 , until they are testing people press the stop button S1, D3, D4 RS flip-flop consisting of 0 , make the D25, D26 stop, keep IC1, the result through the drive circuit D13 ~ D16, D21 ~ D24 drive led display. D2 role is to make the stop button S1 only after the test signal VD1 light works, press ahead is invalid.
Reprinted Url Of This Article:
http://www.seekic.com/circuit_diagram/Audio_Circuit/Human_body_reaction_velocity_tester_circuit_diagram.html
Print this Page | Comments | Reading(3)
Code: