Published:2009/7/24 4:44:00 Author:Jessie | From:SeekIC

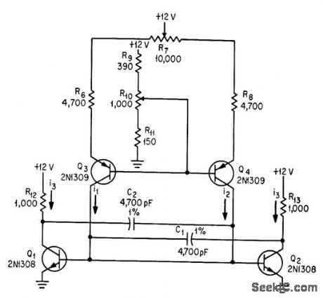
Timing resistors of conventional astable are replaced by adjustable constant-current sources using transistors Q3 and Q4. R7 controls mark/space ratio and R10 con trols frequency.-C. J. Dakin, Novel Multivibrators Test Tape Transports, Electronics, 37:7, p 40-43.
Reprinted Url Of This Article:
http://www.seekic.com/circuit_diagram/Audio_Circuit/INDEPENDENT_CONTROL_MVBR_TESTS_TRANSPORT.html
Print this Page | Comments | Reading(3)
Code: