Published:2011/5/4 9:27:00 Author:TaoXi | Keyword: Kara OK Tone | From:SeekIC

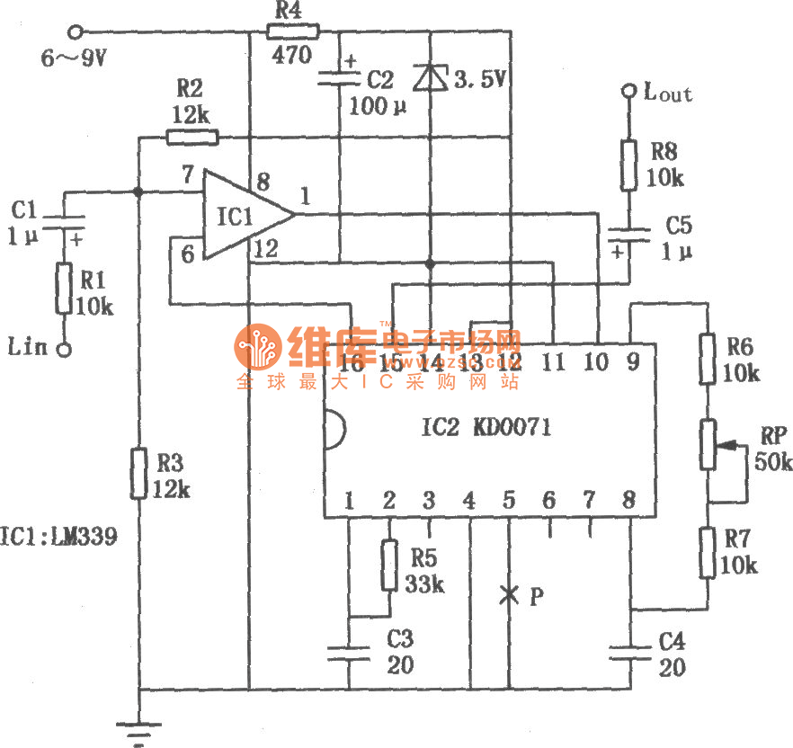
When we using Kara OK to enjoy ourselves, the singer always can't keep up the tunes because of the accompaniment tunes too high or too low. If we install this circuit in the Kara OK machine, so we can easily keep up the tunes. The figure is as shown, theinput signal from the terminal Lin is sendto the 7-pin of ICI voltage comparator, then the signal from 1-pin of ICI send to the 10-pin of the IC2 voice modulation integrated circuit (KD0071).At this moment, one signal return to ICl to compare with the input signal. Another signal send out by the pin-15 of IC2, and connect to the back-stage power amplifier. By adjusting the potentiometer RP between pin-8 and pin-9 of IC2, we can change the oscillation frequency of the circuit, then change the tone of output signal to produce modulation effect. When we are debugging,we need toplace the potentiometer RP in the middle of resistance, then adjust the resistance of resistor R6, R7, turn on/off the ground wire of P point (pin-5 IC2). If the potentiometer RP's resistance decreases, Tone will be low; If the potentiometer RP's resistance increases, Tone will be high.
Reprinted Url Of This Article:
http://www.seekic.com/circuit_diagram/Audio_Circuit/Kara_OK_Tone_Circuit.html
Print this Page | Comments | Reading(3)
Code: