Published:2012/10/19 0:38:00 Author:muriel | Keyword: LED VU, Meter | From:SeekIC

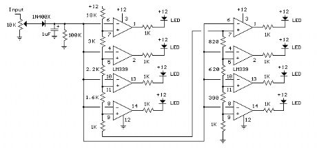
The circuit below uses two quad voltage comparators (LM339) to illuminate a series of 8 LEDs indicating volume level. Each of the 8 comparators is biased at increasing voltages set by the voltage divider so that the lower right LED comes on first when the input is about 400 millivolts or about 22 milliwatts peak in an 8 ohm system. The divider voltages are set so that each LED represents about twice the power level as the one before so the scale extends from 22 milliwatts to about 2.5 watts when all LEDs are lit. The sensitivity can be decreased with the input control to read higher levels. I have not built or tested this circuit, so please let me know if you have problems getting it working. The power levels should be as follows:
1 LED = 22mW
2 LEDs = 42mW
3 LEDs = 90mW
4 LEDs = 175mW
5 LEDs = 320mW
6 LEDs = 650mW
7 LEDs = 1.2 Watts
8 LEDs = 2.5 watts
Reprinted Url Of This Article:
http://www.seekic.com/circuit_diagram/Audio_Circuit/LED_VU_Meter.html
Print this Page | Comments | Reading(3)
Code: