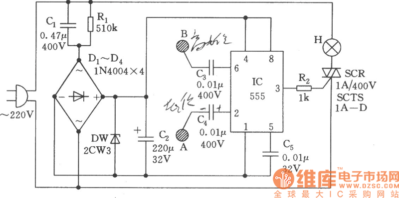
Published:2011/5/6 2:11:00 Author:Sue | Keyword: Lamp, Touch, Switch | From:SeekIC

Reprinted Url Of This Article:
http://www.seekic.com/circuit_diagram/Audio_Circuit/Lamp_Touch_Switch_Circuit.html
Print this Page | Comments | Reading(3)
Code: