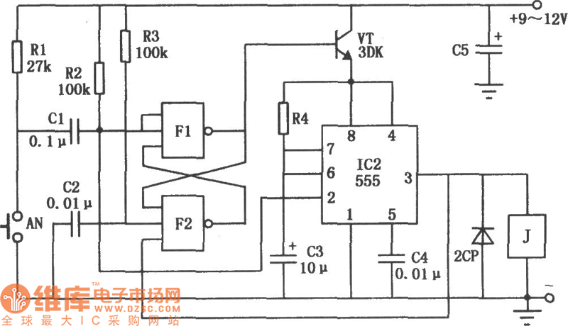
Published:2011/4/24 21:15:00 Author:Sue | Keyword: Low Power Consumption, Timer, 555 | From:SeekIC

Reprinted Url Of This Article:
http://www.seekic.com/circuit_diagram/Audio_Circuit/Low_Power_Consumption_Timer_Circuit_Composed_of_555.html
Print this Page | Comments | Reading(3)
Code: