Published:2009/7/20 3:00:00 Author:Jessie | From:SeekIC



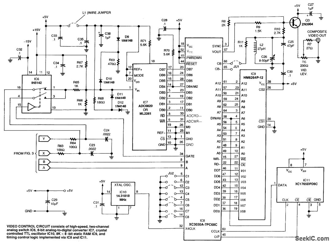
The basic concept involves processing an audio signal input into two components (x and y) that are phase-shifted approximately 90° relative to each other. The signals are then digitally sampled and stored in a video RAM buffer as an array of data bits. Bit locations in RAM correspond with the horizontal(x value) and vertical (y value) positions of points to be illuminated on the TV screen. The video RAM is periodically read and erased in synchronism with video frame scanning. The resulting serial video data is combined with color burst and sync signals to generate an NTSC-compatible composite video output signal. The music vision circuit essentially converts the standard raster-scanned TV screen into an oscilloscope-type display in which horizontal and vertical positions are directly controlled by z and y signals. The 90° phase shift between the two signals generates complex and dynamic two-dimensional patterns on the TV screen when music, voice, or other audio signals are applied to the input. The audio-frequency content of the input signal determines the color of the video pattern being displayed.
Reprinted Url Of This Article:
http://www.seekic.com/circuit_diagram/Audio_Circuit/MUSIC_VISION_CIRCUIT.html
Print this Page | Comments | Reading(3)
Code: