Published:2009/7/20 1:26:00 Author:Jessie | From:SeekIC

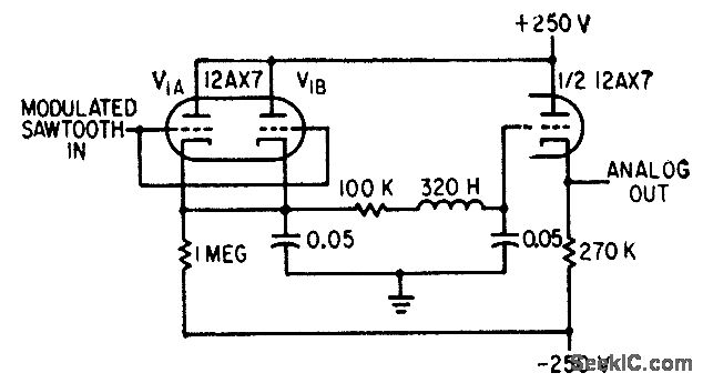
Recovers analog voltage from modulated sawtooth waveform of magnetic-drum recorder.-H. L. Daniels and D. K. Sampson, Magnetic Drum Provides Analog Time Delay, Electronics, 32:6, p 44-47.
Reprinted Url Of This Article:
http://www.seekic.com/circuit_diagram/Audio_Circuit/PEAK_READING_CIRCUIT.html
Print this Page | Comments | Reading(3)
Code: