Published:2009/6/23 22:50:00 Author:Jessie | From:SeekIC

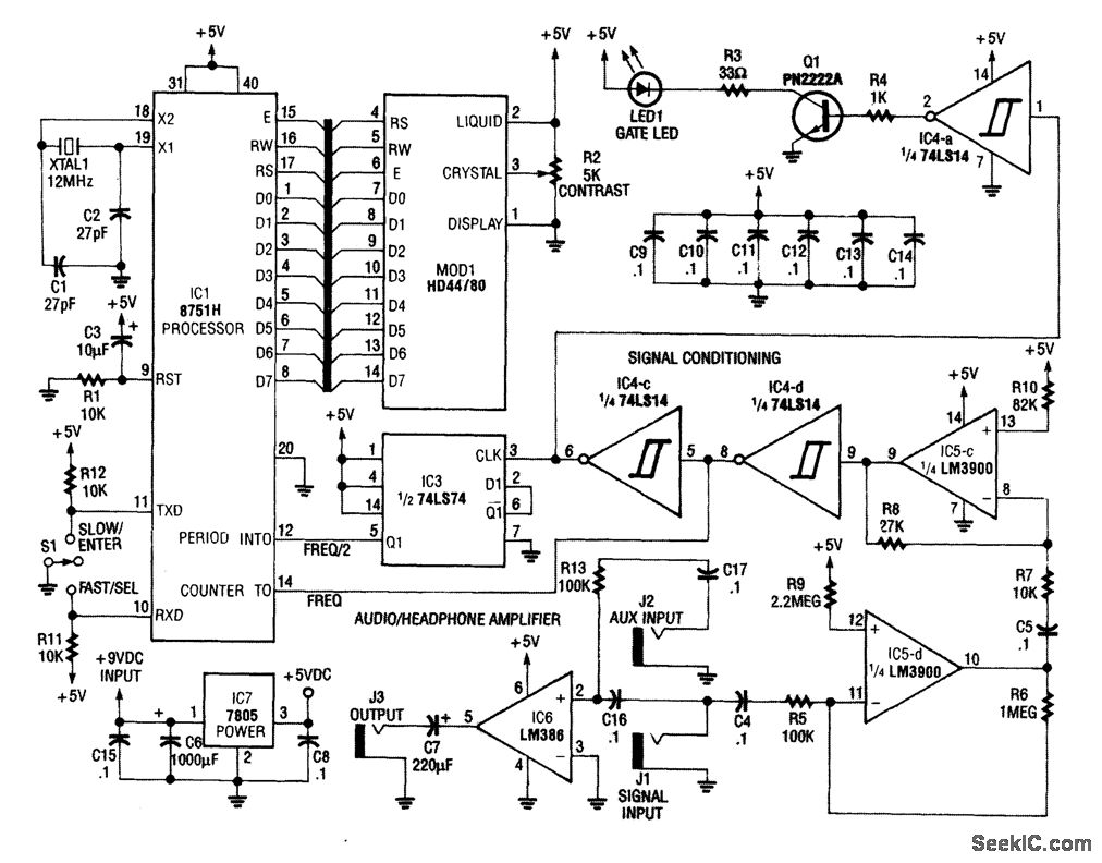
Perfect pitch, which is based on the 8751 H microprocessor, is an inexpensive and easy-to-build instrument tuner/frequency counter with a built-in headphone amplifier and a visual metronome. Perfect pitch converts the audio signal from your instrument to a digital signal, and displays the musical note you are playing and its frequency in real time on a 16-character liquid-crystal display. It also has an auxiliary audio input for radio, tape, or CD players so that you can tune up and play along with your favorite artists.
Reprinted Url Of This Article:
http://www.seekic.com/circuit_diagram/Audio_Circuit/PERFECT_PITCH.html
Print this Page | Comments | Reading(3)
Code: