Published:2009/7/20 3:05:00 Author:Jessie | From:SeekIC



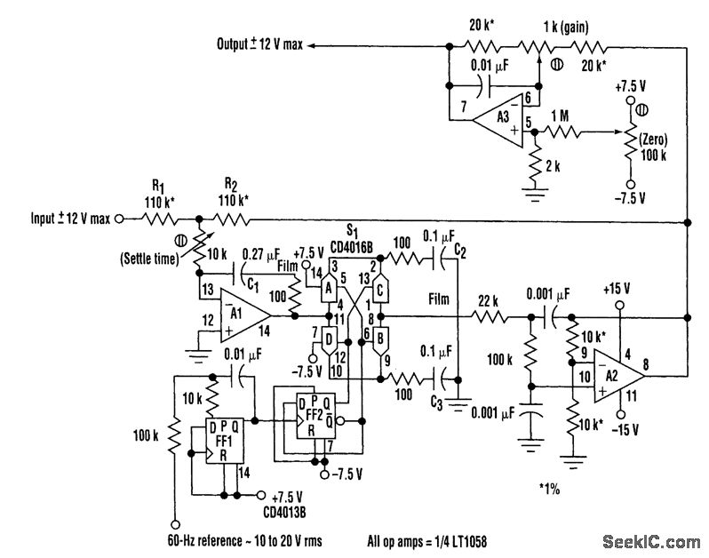
This analog/digital synchronous-averager circuit implements a robust comb filter that (theoretically) infinitely attenuates all 60-Hz harmonics. It does this independently of precision component tolerances. Signal components with frequencies below 20 Hz are passed virtually undisturbed. In the circuit, A1 continuously integrates and inverts the sum of the input signal and the output of buffer amplifier A2. Depending on the state of FF2, either switches S1A and S1B or S1C and S1D will conduct. Because flip-flop FF2 toggles once each 60-Hz cycle, A1 always integrates the difference between the instantaneous input voltage and the integral of the input taken over the preceding cycle. The transfer function of such a piecewise integration is characterized by a series of impulses that occurs atƒ (the fundamental frequency of the integration cycle) and at all integer multiples ofƒ This extreme attenuation of harmonic noise is not limited by component tolerance. The filter's setting time for an input step, however, does depend upon the trimming of potentiometer P1. Optional unity-gain inverter A3 undoes the signal inversion performed by A1 and incorporates trimmer pots P2 and P3 for precise adjustment of overall filter gain and zero offset.
Reprinted Url Of This Article:
http://www.seekic.com/circuit_diagram/Audio_Circuit/PERIODIC_60_Hz_NOISE_ELIMINATOR.html
Print this Page | Comments | Reading(3)
Code: