Published:2009/6/23 22:44:00 Author:Jessie | From:SeekIC

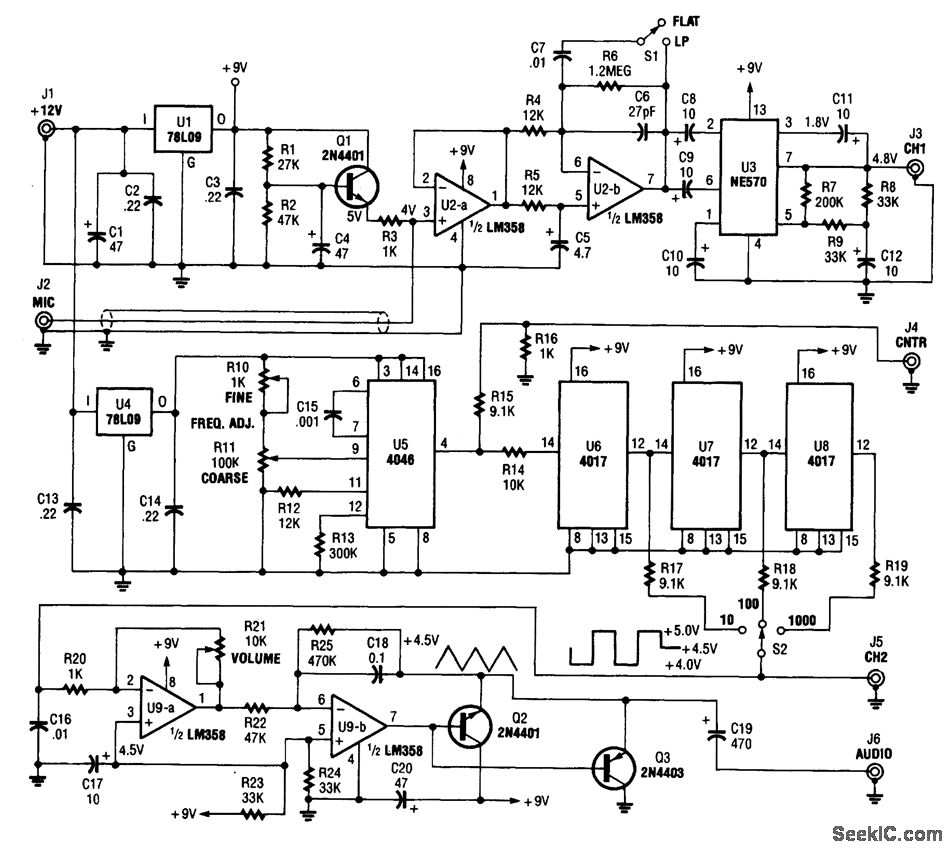
One section of the precision audio frequency generator use an electret microphone element to pick up audio from the piano. That signal is then processed and sent to one channel of a dual-trace oscilloscope. The other section of the circuit is used to produce a variabe-frequency that is fed to a digital frequency counter. After conditioning, the audio signal is presented to the second channel of the scope and output to a set of stereo headphones.
Reprinted Url Of This Article:
http://www.seekic.com/circuit_diagram/Audio_Circuit/PRECISION_AUDIO_GENERATOR_FOR_MUSICAL_INSTRUMENT_TUNE_UP.html
Print this Page | Comments | Reading(3)
Code: