Published:2009/7/23 23:35:00 Author:Jessie | From:SeekIC

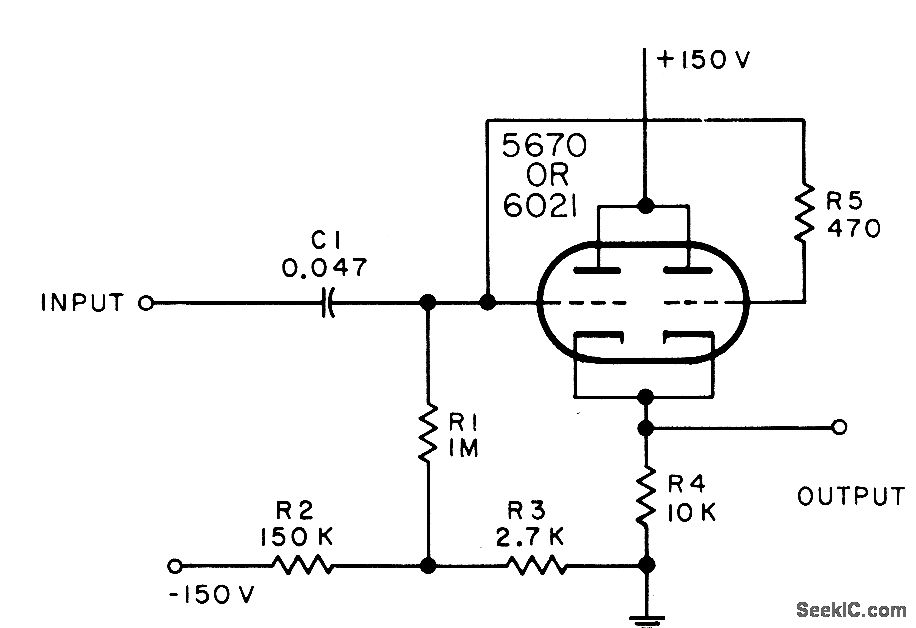
Used to couple output of low-level video stage to resistive load in applications where high-duty-factor signal makes direct coupling desirable.-NBS, Handbook Preferred Circuits Navy Aeronautical Electronic Equipment, Vol. I, Electron Tube Circuits, 1963, PC 22, p 22-2.
Reprinted Url Of This Article:
http://www.seekic.com/circuit_diagram/Audio_Circuit/PREFERRED_LOW_LEVEL_PULSE_CATHODE_FOLLOWER.html
Print this Page | Comments | Reading(3)
Code: